销售热线:+0086-21-8036 5424
中文
英文 日语
远心镜头 双远心镜头 微距/CCTV镜头 线扫镜头

微距/CCTV镜头

ML-U2516SR-18C

▪ 紧凑型设计
▪ Vis/NIR AR 镀膜
▪ 高分辨率设计150lp/mm、12MP、支持3.5μm像元
▪ 可兼容1.1"大靶面设计
▪ 浮动镜组设计
ML-U2516SR-18C
主要应用
电子元器件/PCB检测
食品/玻璃/瓶检/医药检测
汽车零件检测
产品描述
规格
  • 规格
  • ML-U2516SR-18C
  • 焦距 (mm)
  • 35
  • Fno
  • 1.6-16
  • 芯片大小 (mm)
  • 17.6 (1.1 " sensor)
  • 解像力 (lp/mm)
  • Center:150 Margin:100
  • 最近WD(mm)
  • 100
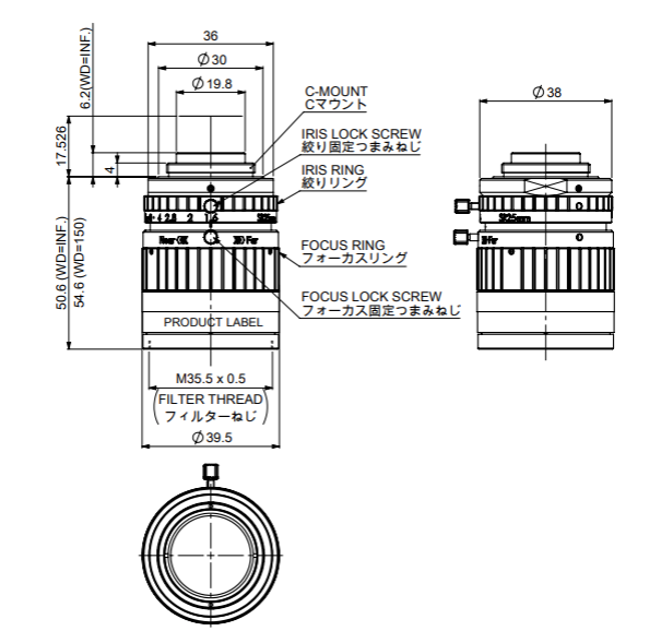
外观图
联系方式

茉丽特科技(深圳)有限公司

地址: 深圳市龙华区观澜街道大坪社区桂日路20号

邮箱:sales.china@cognex.com

产品
镜头 LED光源 光纤光导 美容产品
应用
半导体 mini/Micro LED 锂电 FPD 激光雷达
新闻与活动
活动预告 新闻 新品公告 停产公告
资源
下载中心 常见问题 视频 ISO证书
关于公司
公司简介 董事长致辞 公司资质 公司历史 品质环境方针
联系我们
全球网络 本地支持
工作在茉丽特
企业文化 福利关怀 员工风采 招贤纳士

网站声明 | 隐私政策 | 帮助 | @ 2023 MORITEX Corporation