销售热线:+0086-21-8036 5424
中文
英文 日语
显微镜头 远心镜头 双远心镜头 微距/CCTV镜头 线扫镜头

微距/CCTV镜头

ML-MC75AR

▪ 超高解像力,最高至250lp/mm,支持像元尺寸1.85um相机
▪ 极低畸变率
▪ 可见光-近红外宽波段镀膜设计 (400~1100nm)
▪ 超高解像力并且兼具紧凑性
ML-MC75AR
主要应用
手机组装定位
摄像头检测
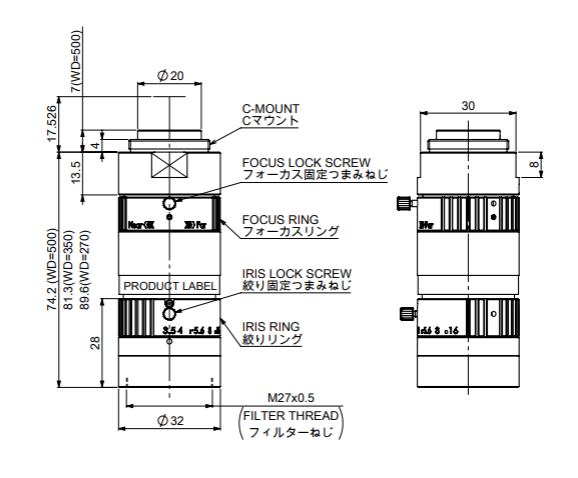
规格
  • 规格
  • ML-MC75AR
  • 焦距 (mm)
  • 75
  • 光圈数
  • 3.5-16
  • 放大倍率 (x)
  • 0.17-0.38
  • 物距 (mm)
  • 500.0-270.0
  • 物像距 (mm)
  • 591.8-377.1
  • 尺寸 (mm)
  • φ32x74.2-89.6
  • 最大像面(mm)
  • 9.3 (1/1.7")
  • 接口
  • C
  • 分辨率 (μm)
  • 1.85μm
外观图
联系方式

茉丽特科技(深圳)有限公司

地址: 深圳市龙华区观澜街道大坪社区桂日路20号

邮箱:sales.china@cognex.com

产品
镜头 LED光源 光纤光导 美容产品
应用
半导体 mini/Micro LED 锂电 FPD 激光雷达
新闻与活动
活动预告 新闻 新品公告 停产公告
资源
下载中心 常见问题 视频 ISO证书
关于公司
公司简介 董事长致辞 公司资质 公司历史 品质环境方针
联系我们
全球网络 本地支持
工作在茉丽特
企业文化 福利关怀 员工风采 招贤纳士

网站声明 | 隐私政策 | 帮助 | @ 2023 MORITEX Corporation