销售热线:+0086-21-8036 5424
中文
英文 日语
显微镜头 远心镜头 双远心镜头 微距/CCTV镜头 线扫镜头

微距/CCTV镜头

ML-MC12UR-16C

▪ 完美匹配8M 2/3”, 1/1.1”12M,  1”20M等新一代相机.
▪ 高分辨率设计,匹配最新2.4u,2.5u,2.74u 等小像元芯片.
▪ 极低畸变率,如MC16UR 畸变<-0.2%@WD350mm.
▪ 可见光-近红外宽波段镀膜设计(400~1100nm).
ML-MC12UR-16C
主要应用
机械手定位、抓取
3D投影应用
锂电叠片检测
规格
  • 规格
  • ML-MC12UR-16C
  • 焦距 (mm)
  • 12
  • Fno.
  • 2.5~16
  • 倍率 (x)
  • 0.02~0.11
  • 物距 (mm)
  • 550~100
  • 物像距 (mm)
  • 612.4~162.4
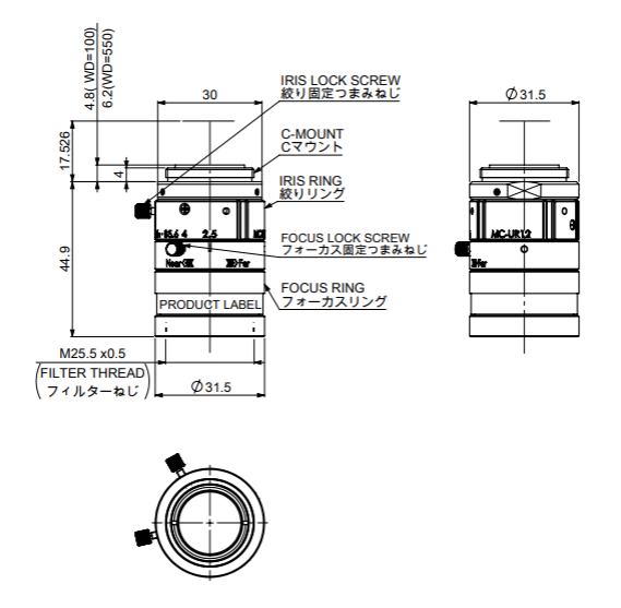
  • 尺寸 (mm)
  • φ31.5 x 44.9
  • 靶面 (mm)
  • 16.4 (1")
  • 接口
  • C
  • 分辨率
  • 匹配2.4μm/2.5μm/2.74μm小像元
外观图
联系方式

茉丽特科技(深圳)有限公司

地址: 深圳市龙华区观澜街道大坪社区桂日路20号

邮箱:sales.china@cognex.com

产品
镜头 LED光源 光纤光导 美容产品
应用
半导体 mini/Micro LED 锂电 FPD 激光雷达
新闻与活动
活动预告 新闻 新品公告 停产公告
资源
下载中心 常见问题 视频 ISO证书
关于公司
公司简介 董事长致辞 公司资质 公司历史 品质环境方针
联系我们
全球网络 本地支持
工作在茉丽特
企业文化 福利关怀 员工风采 招贤纳士

网站声明 | 隐私政策 | 帮助 | @ 2023 MORITEX Corporation